AMPLIFIER COMMON EMITTER , COMMON BASE , CASCODE , PENGUATAN DAYA DAN MIXER
AMPLFIER COMMON EMITTER (CE)
Gambar diatas merupakan rangkaian amplifier CE dengan
output dan input tertala. C3 dan c4 digunakan untuk memblokir dc dengan
rekatansi yang dapat diabaikan pada frekuensi tinggi. R bias digunakan untuk
memasok arus ke base.
Berikut
adalah rumus  untuk rangkaian ekivalen CE
Av       =    -gm
                   Yo
Yo       =    1+jyQ2eff
                    RD2eff
     1     =      1  +  1  +  (Cc
+ C2 + Cb)r2
RD2eff         rc    
LC                L2
Q2        =     ωo (Cc + C2 Ccb) RD2eff
Yin       =      Y1 + Yf (i  -Av)
CM      =      (1 + GmRD2eff) Ccb
Keterangan :
AV                  = Gain Voltage
Yo                   =
Admintasi Output
RD2eff            = Resistansi Dinamis Effektif
Q2                  = Faktor Kualitas
Yin                  = Admintasi input
CM                 = Capasitor Miller
AMPLIFIER
COMMON BASE
Efek
kapasitor feedback pada rangkaian CE dapat di nol kan jika menghubungkan
transistor dengan konfigurasi Common base. Rangkaian diatas merupakan rangkaian
ekivalen dari konfigurasi Common base.
Berikut
adalah rumus  untuk rangkaian ekivalen CB
Aisc     =        - gm          
                   1/reb + jωCeb
Av       =      gmRD
                  1+jyQ
PENGUATAN
DAYA YANG TERSEDIA
            Penguatan daya yang tinggi
diperlukan untuk mempertahankan faktor noise rendah dengan amplifier cascade. Perkiraan
penguatan daya amplifier CE dan CB dapat dibuat sbb :
Daya
Pada Sumber
Ps         =  
Vs 2
                
4Rs2
Daya
Pada keluaran
Po        = Ro I o2
                    4
Penguatan
Daya
Gav      = RsRo Io2
                    V2s
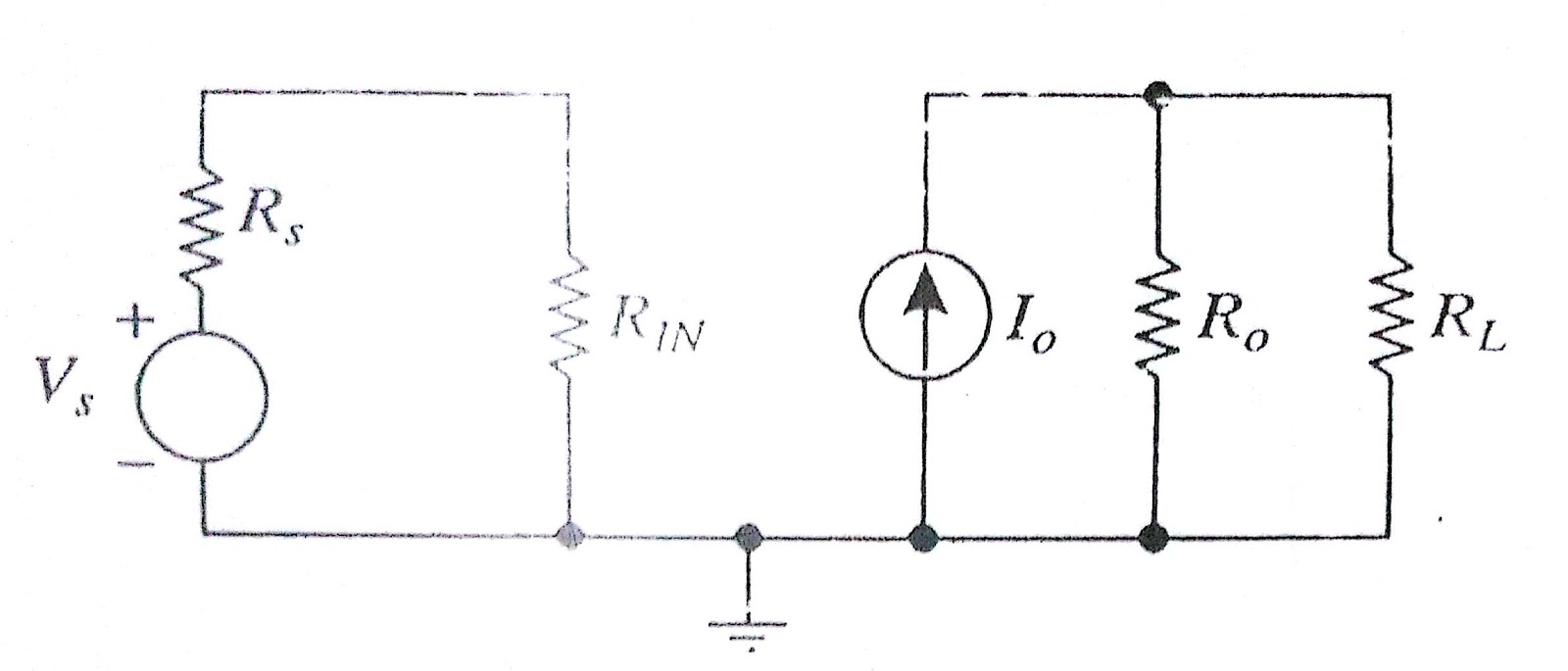
Rangkaian ekivalen  yang
digunakan untuk memperkirakan penguatan ampilifer
AMPLIFIER
CASCODE
Amplifier
Common Catode dan Common Base dapat dikombinasikan untuk mendapatkan penguatan
yang stabil yang dikenal sebagai Amplifier Cascode.
Secara
keseluruhan amplifier cascode  itu
memiliki kinerja yang serupa dengan ampilifier CE namun dengan kesetabilan yang
tinggi sehingga penguatan lebih tinggi.
RANGKAIAN
PENCAMPUR (MIXER)
            Mixer digunakan
untuk mengubah sinyal dari suatu frekuensi ke frekuensi lain. Pengubahan frekuensi
dalam komunikasi sangat penting. Modulasi demodulasi dan multiplexing merupakan
beberapa contohnya.
            Rangkaian mixer
menggunakan suatu fakta bahwa apabila dua sinyal sinusoidal dikalikan bersama ,
maka hasilnya merupakan perkalian , penjumlahan atupun selisih dari keduanya.




Komentar
Posting Komentar